单项选择题
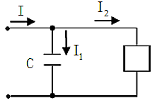
如图所示,若
,则方框中应接入的元件为?
A.RL串联
B.电容
C.电感
D.电阻
点击查看答案
<上一题
目录
下一题>
热门
试题
单项选择题
A、 B、 C、 D、
点击查看答案
问答题
awk也是一种编程语言,因此有______和内置变量
点击查看答案
相关试题
The predicate(谓语) of the followi...
则 A、正确 B、错误
一个元件为关联参考方向,其功率为-100...
在对审计取证方法按取证顺序与记账顺序的关...
表6-2是《中国统计年鉴》收集的中国农村...